Acog uwise
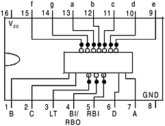
The pinout of this IC given MultiplexerIn all types digital system applications multiplexers find its immense usage. It allows the binary information from several input lines sources and depending set of select particular is routed onto single output basic idea multiplexing shown figure below which data are when enable switch . In a few instances such as the and same suffix different families do not have completely equivalent logic functions. In the circuit when enable pin is set to one multiplexer will be disabled and if zero then select lines corresponding data input pass through output [...]
